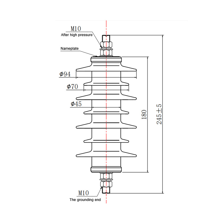
Polymer Surge Protection Zinc Oxide Lightning Surge Arrestors 11kv 10ka

Item No.: 00108
Zinc oxide arrester is a lightning protection device with superior protection performance, light weight, pollution resistance and stable performance.
Description
Description
Polymer Surge Protection  Zinc Oxide Lightning Surge Arrestors 11kv 10ka
General Introduction:
Zinc oxide arrester is a lightning protection device with superior protection performance, light weight, pollution resistance and stable performance. It mainly uses the good non-linear volt-ampere characteristics of zinc oxide to make the current flowing through the arrester at normal working voltage very small (microamp or milliampere level); when the overvoltage acts, the resistance drops sharply, venting the overvoltage Energy, to achieve the effect of protection. The difference between this kind of arrester and the traditional arrester is that it has no discharge gap, and uses the non-linear characteristics of zinc oxide to discharge and break.
Normal operating conditions for Lightning Arrester :
1. The ambient air temperature is no higher than +40°C, no lower than -40 °C .
2. The altitude above sea level does not exceed 1000m. ( the plateau area should be indicated when order.)
3. AC system frequency is 50Hz or 60Hz.
4. Power frequency voltage brought to bear on arrester for a long time does not exceed the continuous operation voltage of the arrester.
5. Maximum wind speed does not exceed 35m/s.
6. Te earthquake intensity does not exceed 7 degrees.
7. The pollution area should be indicated.

Gapless Arrester Electrical Parameter:
 
MOA Type MOA Rated 
Voltage
 
MCOV Max.Residual Viltage 2ms square 
wave impulse 
withstand current
High current
 impulse withstand 
4/10μs

Steep current 

impuise1/10μS

Lightning current 

lmpulse 8/20μs

Switching current

 lmpulse30/60μs

KV KV KV KV KV A KV
YH5W-24 24 19.5 82 72 62.6 150 65
YH10W-24 24 19.5 75 65 61.6 520 100
Send your message to us
please select your country
  • Afghanistan
  • Aland Islands
  • Albania
  • Algeria
  • American Samoa
  • Andorra
  • Angola
  • Anguilla
  • Antigua and Barbuda
  • Argentina
  • Armenia
  • Aruba
  • Australia
  • Austria
  • Azerbaijan
  • Bahamas
  • Bahrain
  • Bangladesh
  • Barbados
  • Belarus
  • Belgium
  • Belize
  • Benin
  • Bermuda
  • Bhutan
  • Bolivia
  • Bosnia and Herzegovina
  • Botswana
  • Bouvet Island
  • Brazil
  • British Indian Ocean Territory
  • British Virgin Islands
  • Brunei Darussalam
  • Bulgaria
  • Burkina Faso
  • Burundi
  • Cambodia
  • Cameroon
  • Canada
  • Cape Verde
  • Caribbean Netherlands
  • Cayman Islands
  • Central African Republic
  • Chad
  • Chile
  • China
  • Christmas Island
  • Cocos Islands
  • Colombia
  • Comoros
  • Congo
  • Cook Islands
  • Costa Rica
  • Cote D'ivoire
  • Cuba
  • Curaçao
  • Cyprus
  • Czech Republic
  • Democratic People's Republic of Korea
  • Democratic Republic of the Congo
  • Denmark
  • Djibouti
  • Dominica
  • East Timor
  • Ecuador
  • Egypt
  • El Salvador
  • Equatorial Guinea
  • Eritrea
  • Estonia
  • Ethiopia
  • Falkland Islands
  • Faroe Islands
  • Fiji
  • Finland
  • France
  • French Guiana
  • French Polynesia
  • French Southern Territories
  • Gabon
  • Gambia
  • Georgia
  • Germany
  • Ghana
  • Gibraltar
  • Greece
  • Greenland
  • Grenada
  • Guadeloupe
  • Guam
  • Guatemala
  • Guernsey
  • Guinea
  • Guinea-Bissau
  • Guyana
  • Haiti
  • Heard Island and Mcdonald Islands
  • Honduras
  • Hong Kong, China
  • Hungary
  • Iceland
  • India
  • Indonesia
  • Iran
  • Iraq
  • Ireland
  • Isle of Man
  • Israel
  • Italy
  • Jamaica
  • Japan
  • Jordan
  • Kazakhstan
  • Kenya
  • Kiribati
  • Korea
  • Kosovo
  • Kuwait
  • Kyrgyzstan
  • Laos
  • Latvia
  • Lebanon
  • Lesotho
  • Liberia
  • Liechtenstein
  • Lithuania
  • Luxembourg
  • Macau, China
  • Macedonia
  • Madagascar
  • Malawi
  • Malaysia
  • Maldives
  • Mali
  • Malta
  • Marshall Islands
  • Martinique
  • Mauritania
  • Mauritius
  • Mayotte
  • Mexico
  • Micronesia
  • Moldova
  • Monaco
  • Mongolia
  • Montenegro
  • Montserrat
  • Morocco
  • Mozambique
  • Myanmar
  • Namibia
  • Nauru
  • Nepal
  • Netherlands
  • Netherlands Antilles
  • New Caledonia
  • New Zealand
  • Nicaragua
  • Niger
  • Nigeria
  • Niue
  • Norfolk Island
  • Northern Mariana Islands
  • Norway
  • Oman
  • Pakistan
  • Palau
  • Palestine
  • Panama
  • Papua New Guinea
  • Paraguay
  • Peru
  • Philippines
  • Pitcairn Islands
  • Poland
  • Portugal
  • Puerto Rico
  • Qatar
  • Reunion
  • Romania
  • Russia
  • Rwanda
  • Saint Barthélemy
  • Saint Helena
  • Saint Kitts and Nevis
  • Saint Lucia
  • Saint Martin
  • Saint Pierre and Miquelon
  • Saint Vincent and the Grenadines
  • San Marino
  • Sao Tome and Principe
  • Saudi Arabia
  • Senegal
  • Serbia
  • Seychelles
  • Sierra Leone
  • Singapore
  • Sint Maarten
  • Slovakia
  • Slovenia
  • Solomon Islands
  • Somalia
  • South Africa
  • South Georgia and The South Sandwich Islands
  • Spain
  • Sri Lanka
  • State of Libya
  • Sudan
  • Suriname
  • Svalbard and Jan Mayen
  • Swaziland
  • Sweden
  • Switzerland
  • Syrian Arab Republic
  • TaiWan, China
  • Tajikistan
  • Tanzania
  • Thailand
  • The Republic of Croatia
  • Togo
  • Tokelau
  • Tonga
  • Trinidad and Tobago
  • Tunisia
  • Turkey
  • Turkmenistan
  • Turks and Caicos Islands
  • Tuvalu
  • Uganda
  • Ukraine
  • United Arab Emirates
  • United Kingdom
  • United States
  • United States Minor Outlying Islands
  • Uruguay
  • US Virgin Islands
  • Uzbekistan
  • Vanuatu
  • Vatican City State
  • Venezuela
  • Vietnam
  • Wallis and Futuna Islands
  • Western Sahara
  • Western Samoa
  • Yemen
  • Zambia
  • Zimbabwe
ver_code